What Pong-playing brain cells can teach us about better medicine and AI

A system called “DishBrain” could be important for testing epilepsy and dementia drugs in the future.
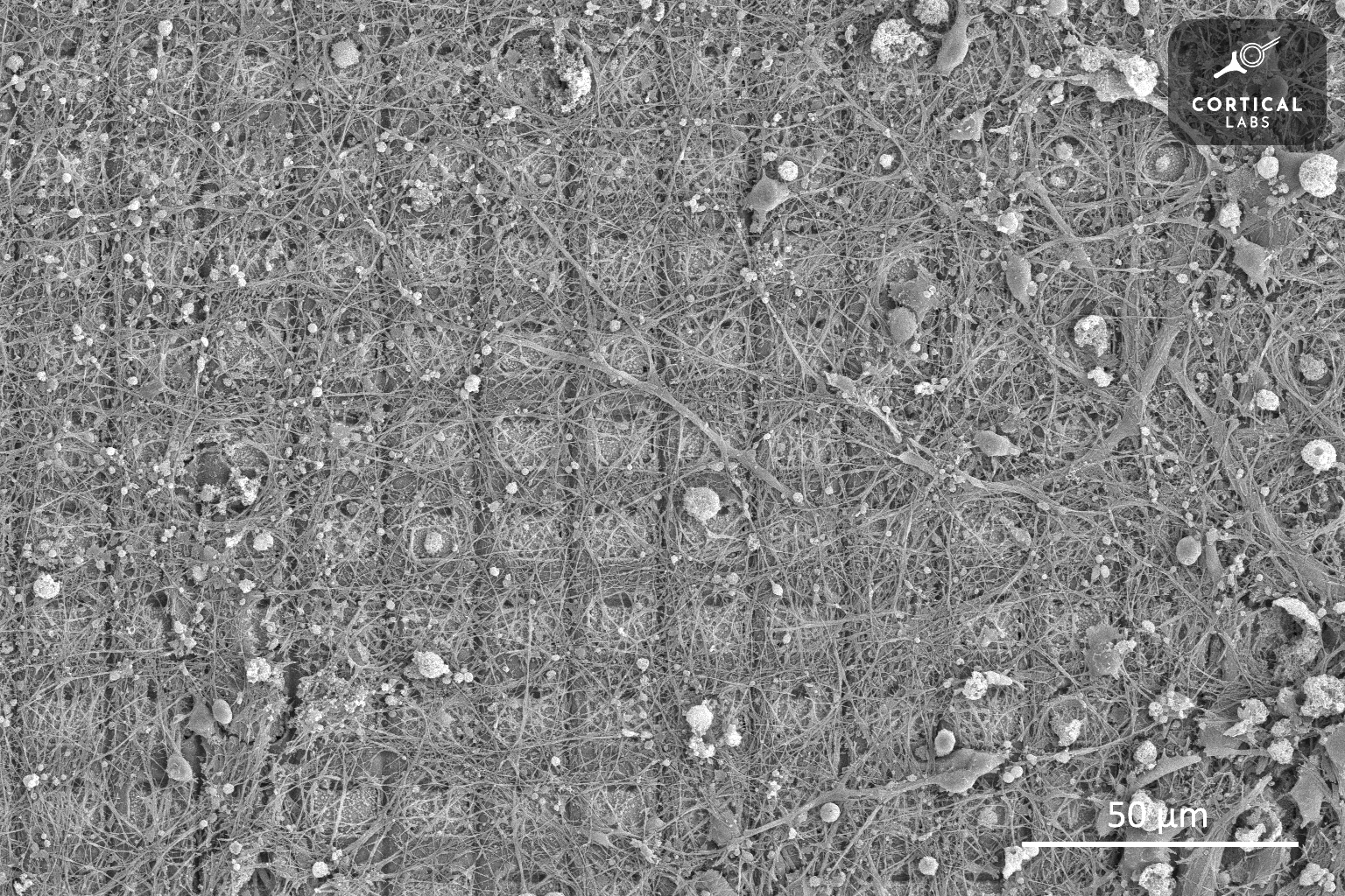
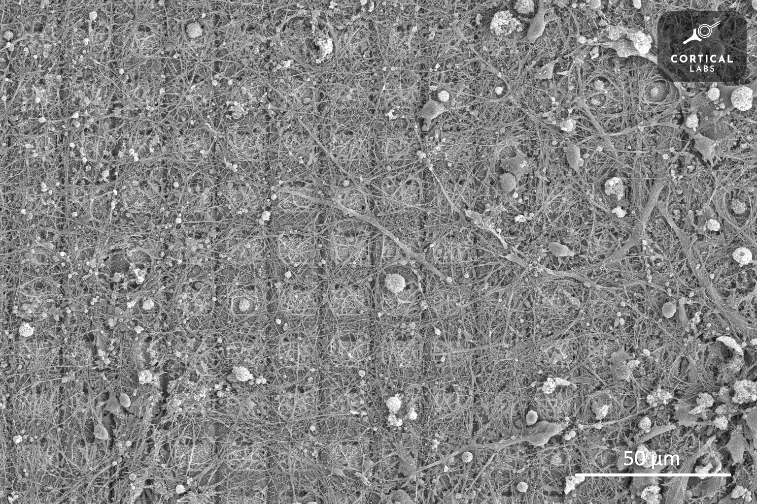
brain cells on a multi-electrode array
Brain cells on a multi-electrode array. Cortical Labs

Scientists have taught 800,000 living brain cells in a dish how to play the iconic arcade game “Pong.” 

This is the work of a team of neuroscientists and programmers from Cortical Labs, Monash University, RMIT University, University College London and the Canadian Institute for Advanced Research. Their detailed findings were published earlier this month in the journal Neuron

Of course, the actual setup is more complex than just putting a glob of neurons in a Petri dish. In this system, called DishBrain, the nerve cells are overlaid on a multi-electrode array, which is like a sort of CMOS chip that’s able read very small changes in the electrical activity in the neuron. 

Nerve cells have well-known action potentials—they will fire in response to a certain sequence of voltage changes across the cell membrane. This makes them behave almost like gates in a computer circuit. 

The cells connect to each other, integrate into the chip, and can survive for many months. The electrode array allows researchers to send and read out signals from the nerve cells at specific locations on the grid, at a given rate. So, electrodes on the array could fire on one side or the other to tell DishBrain where the ball was on, and the frequency of signals could indicate how far away the ball was from the paddle. By lighting up a certain pre-programmed arrangement of electrodes, DishBrain could trigger motor activities, like moving the in-game paddle up and down.

“We can kind of decode information going out and encode information going in just through these very small electrical signals and use that to represent what’s happening to the cells,” says Brett Kagan, chief scientific officer of biotech start-up Cortical Labs and the lead author of the Neuron paper. “Video games help people understand what’s going on. If we simply did it as a function of random numbers, people wouldn’t appreciate or understand the significance of the results.”

But why did they choose “Pong?”

“From a science perspective, we needed a task that was real-time, continuous, and had a really discrete lose condition (the win condition wasn’t so important) that was pretty easy to conceptualize and to encode into the cells,” says Kagan. 

It is also a game that has been a testbed staple for the computational neuroscience community. For example, in 2013, Google’s DeepMind used “Pong” to train its machine learning algorithms. 

“If you think about it, there are really around six rules about how this environment works. This is what we call a structured information landscape,” says Hon Weng Chong, chief executive officer of Cortical Labs. “The conclusion that we have is that these neurons must be trying to create a model internally [influenced by these six rules]. Whatever it is, we don’t quite know yet, and this is out for further study. And it’s trying to use that to optimize for the parameters that we set, which is: don’t miss the ball, hit the ball.” 

[Related: How an AI managed to confuse humans in an imitation game]

Beyond figuring out how exactly perceived “intelligence” is arising from DishBrain, as a next step, the team wants to put its performance to the test against an artificial neural network. They also want to see how well DishBrain plays the game while under the influence of drugs and alcohol.

“We want to show that there’s a dose response curve on their ability to play the game as a way of validating that these neurons can be used in actual drug assays and discoveries and also for personalized medicine,” says Chong.

When Cortical Labs emerged from stealth in March 2020, it had a goal of building biological computer chips. 

Brain cells, Kagan notes, are an interesting biomaterial system that can efficiently process information in real-time without the need for mountains of input samples. “A fly, a very simple system, has more general intelligence in terms of navigating its environment than the best machine learning,” he says. “It does so with a fraction of the power consumption. Why mimic what you can harness?”

But while using these kinds of chips for applications in computer science research is interesting, Cortical Labs has a more immediate focus for how it plans to commercialize its tech platform. 

[Related: Growing Micro-Brains From Skin Cells Sheds Light On Autism]

“I think the primary commercial aspect for us is helping researchers in very difficult spaces like dementia research, epilepsy, and even depression, use the technology we’ve developed to look for new therapies and new drugs,” says Chong. “That’s kind of the commercialization point of view we’re trying to observe at the company.”

Since the nerve cells used in DishBrain can be derived from pluripotent human stem cells, this opens possibilities for personalized medicine. “You can take samples from donors, grow genotypically similar neurons, which we can then use to test drugs, which will then hopefully have the same parameters as donor cells,” Chong says. This could possibly shorten the process of trialing through different treatments for conditions like epilepsy. “If you had a system where you could get your answer immediately of which drug to take for the best result with the least amount of side effects, this would be a huge game changer for the lives of many people with this disease.” 

 
products on a page that says best of what's new 2025

2025 PopSci Best of What’s New

 
Charlotte Hu Avatar

Charlotte Hu

Assistant Technology Editor

Charlotte is the assistant technology editor at Popular Science. She’s interested in understanding how our relationship with technology is changing, and how we live online.